
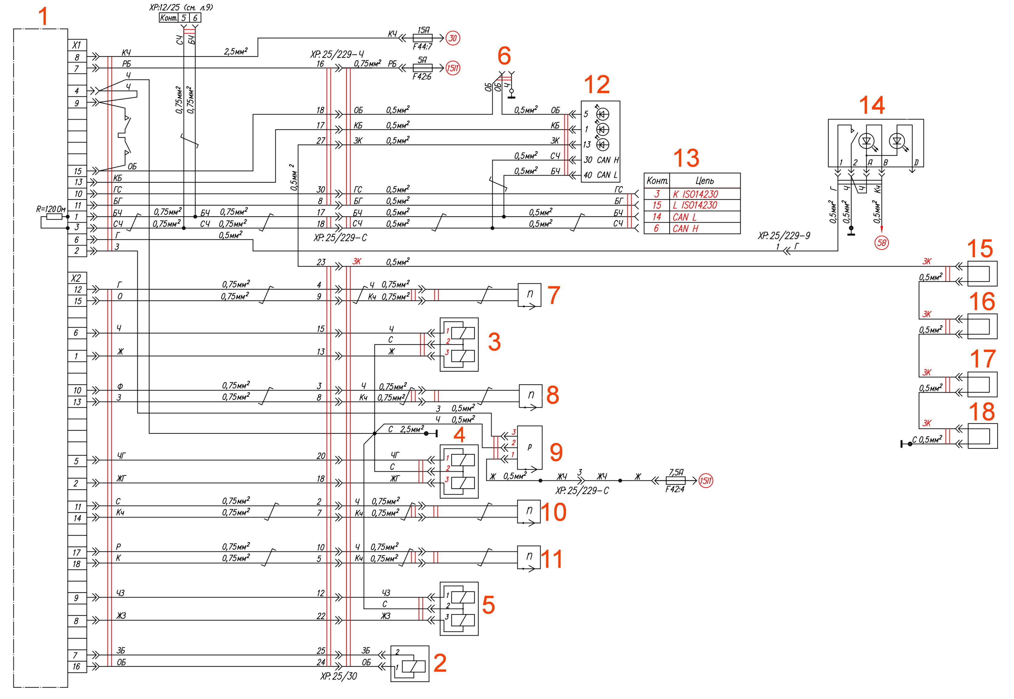
СИСТЕМА УПРАВЛЕНИЯ ДВИГАТЕЛЕМ (в салоне)
1 – аккумуляторные батареи; 2 – датчик скорости; 3 – датчик педали газа; 4 – кнопка (уменьшение) «Круиз-контроль»/«Отбор мощности»; 5 – стартер; 6 – блок предохранителей силовой; 7 – датчик температуры окружающего воздуха; 8 – переключатель «Круиз-контроль»/«Отбор мощности»; 9 – клавиша включения «Круиз-контроль»/«Отбор мощности»; 10 – дополнительное реле стартера; 11 – главное реле СУД; 12 – реле газовых клапанов; 13 – датчик сцепления; 14 – датчик торможения; 15 – блок управления АБС»; 16 – колодка диагностики; 17 – комбинация приборов; ХР:12/25 – колодка соединения жгута 12 (по двигателю) со жгутом 25 (по кабине); ХР:25/229-С – колодка соединения жгута 25 (по кабине) со жгутом 229 (по панели) серого цвета; ХР:25/229-Ч – колодка соединения жгута 25 (по кабине) со жгутом 229 (по панели) чёрного цвета; ХР:25/229-9 – колодка соединения жгута 25 (по кабине) со жгутом 229 (по панели) 9-ти контактная; ; ХР:25/30 – колодка соединения жгута 25 (по кабине) со жгутом 30 (по раме).
Схема подключения системы управления двигателем ЯМЗ (C41R13) ГАЗон Next

СИСТЕМА УПРАВЛЕНИЯ ДВИГАТЕЛЕМ (под капотом)

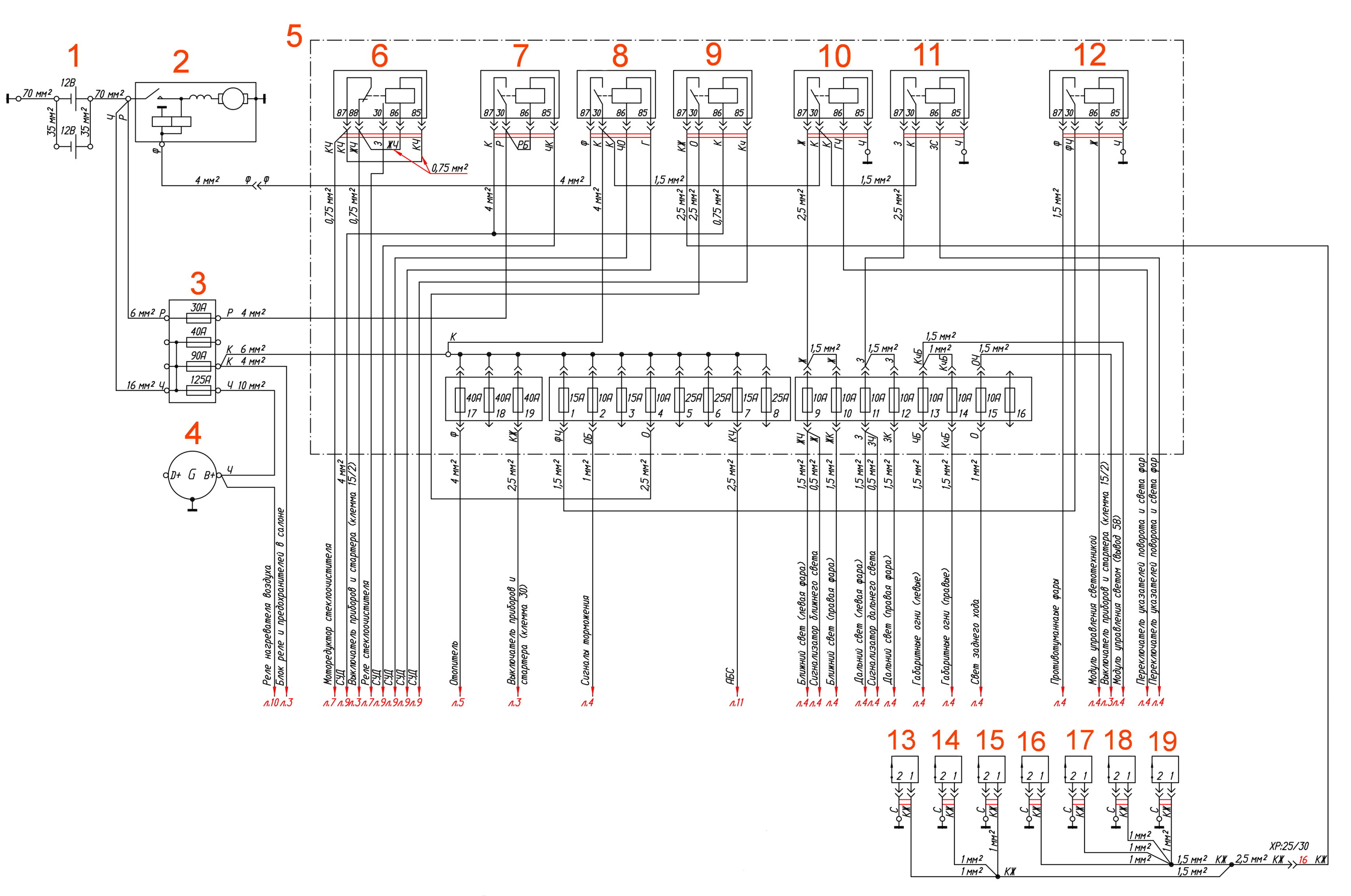
БЛОК ПРЕДОХРАНИТЕЛЕЙ (под капотом)

1 – аккумуляторные батареи; 2 – стартер; 3 – блок предохранителей силовой; 4 – генератор; 5 – блок реле и предохранителей под капотом; 6 – реле укладки щеток стеклоочистителя; 7 – главное реле СУД; 8 – дополнительное реле стартера; 9 – реле газовых клапанов; 10 – реле ближнего света; 11 – реле дальнего света; 12 – реле противотуманных фар; 13, 14, 15, 16, 17, 18, 19 – газовый клапан; ХР:25/30 – колодка соединения жгута 25 (по кабине) со жгутом 30 (по раме).

К1 – реле стартера; К2 – главное реле СУД; К3 – реле укладки щеток стеклоочистителя; К5 – реле ближнего света; К6 – реле дальнего света; К7 – реле противотуманных фар (опция); К8 – реле газовых клапанов.
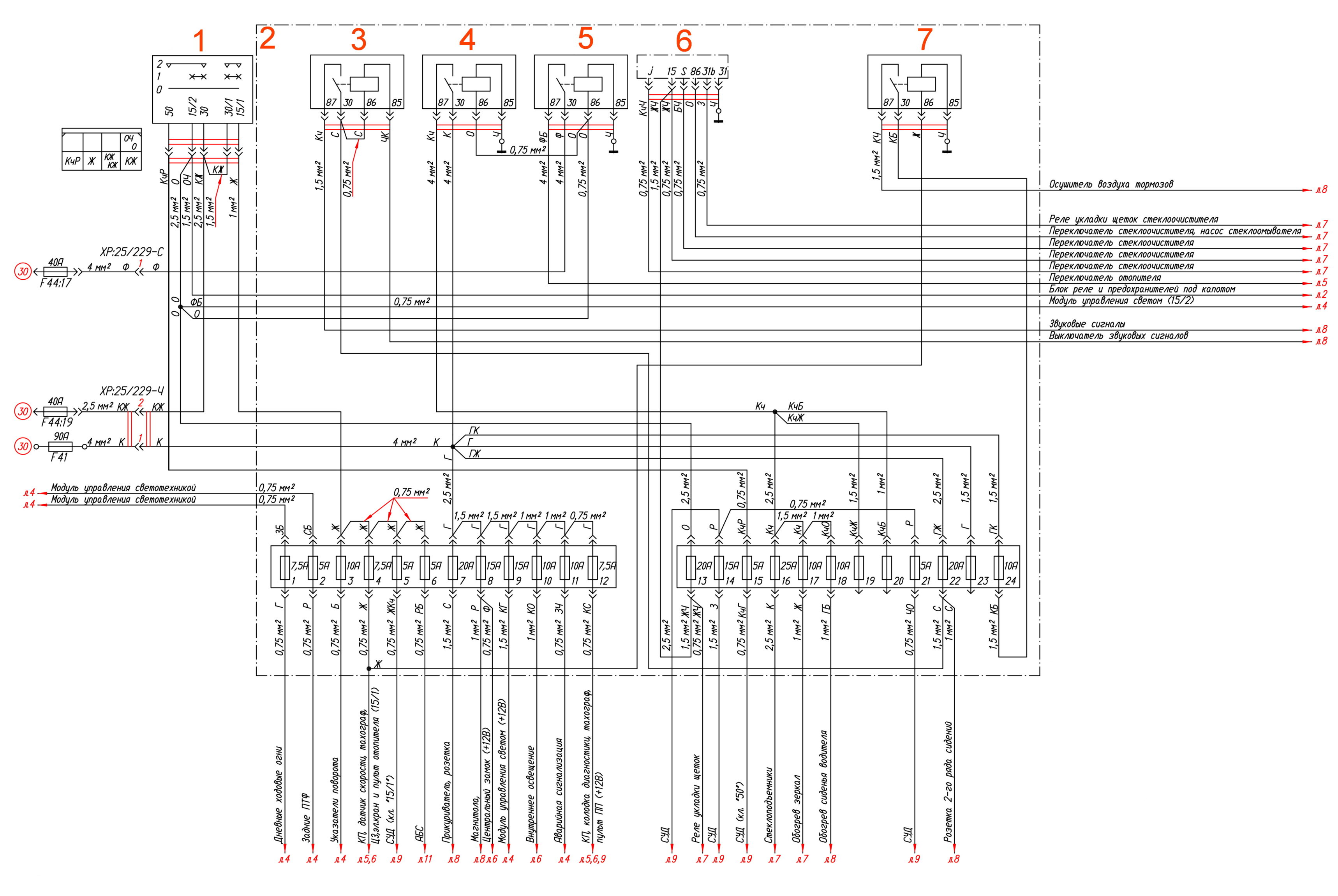
БЛОК РЕЛЕ И ПРЕДОХРАНИТЕЛЕЙ (в салоне) СХЕМА

1 – выключатель приборов и стартера; 2 – блок реле и предохранителей в салоне; 3 – реле звуковых сигналов; 4 – реле разгрузки замка; 5 – реле отопителя; 6 – реле стеклоочистителя; 7 – реле осушителя воздуха тормозов; ХР:25/229-С – колодка соединения жгута 25 (по кабине) со жгутом 229 (по панели) серого цвета; ХР:25/229-Ч – колодка соединения жгута 25 (по кабине) со жгутом 229 (по панели) чёрного цвета. Колодка показана со стороны установки контактов.
РАСПОЛОЖЕНИЕ РЕЛЕ И ПРЕДОХРАНИТЕЛЕЙ (в салоне)

Блок реле и предохранителей, расположенных в моторном отделении.
Под капотом справа на усилителе боковой панели передка расположен блок силовых предохранителей БПР-4.14, где плавкая вставка 1 (125А) защищает цепь нагревателя воздуха двигателя и генератора, плавкая вставка 2 (90А) защищает общую плюсовую цепь автомобиля, кроме цепи стартера, плавкая вставка 3 (40А) – резерв, плавкая вставка 4 (30А) защищает цепь питания блока управления двигателем.
Для доступа к предохранителям необходимо нажать на две пластмассовые защелки по бокам крышки по направлению стрелок и снять крышку; извлечь перегоревший предохранитель, проверить защищаемую цепь и установить новый предохранитель с тем же номиналом (запасные предохранители расположены в крышке блока предохранителей).
После замены пластинчатого предохранителя, затяните гайку крепления моментом 5,5-7,8 Н·м (0,55-0,78 кгс·м).

СХЕМА ВНЕШНЕГО ОСВЕЩЕНИЯ (фары, габариты и т. п.)

1 – противотуманная фара левая*; 2 – повторитель левый; 3 – блок реле и предохранителей под капотом; 4 – реле ближнего света; 5 – фара левая; 6, 9 – корректор; 7 – реле дальнего света; 8 – реле противотуманных фар; 10 – фара правая; 11, 12 – фонари боковые габаритные на кабине с 2-мя рядами сидений; 13 – выключатель сигналов торможения; 14 – повторитель правый; 15 – противотуманная фара правая*; 16, 17 – фонари контурные передние на крыше кабины; 18 – модуль управления светотехникой; 19 – комбинация приборов; 20 – выключатель света заднего хода; 21 – фонарь задний левый; 22 – модуль регулятора подсветки символов; 23 – модуль включения передних противотуманных фар; 24 – блок реле и предохранителей в салоне; 25 – фонарь задний правый; 26 – модуль включения задних противотуманных огней; 27 – кнопка «Круиз-контроль»; 28 – переключатель указателей поворота и света фар; 29 – прерыватель указателей поворота; 30 – модуль регулятора уровня фар; 31, 33 – фонари боковые габаритные правые; 32, 34 – фонари боковые габаритные левые; ХР:25/30 – колодка соединения жгута 25 (по кабине) со жгутом 30 (по раме); ХР:25/38 – колодка соединения жгута 25 (по кабине) со жгутом 38 (по крыше); ХР:25/229-С – колодка соединения жгута 25 (по кабине) со жгутом 229 (по панели) серого цвета; ХР:25/229-Ч – колодка соединения жгута 25 (по кабине) со жгутом 229 (по панели) чёрного цвета; ХР:25/185 – колодка соединения жгута 25 (по кабине) со жгутом 185 (по полу).
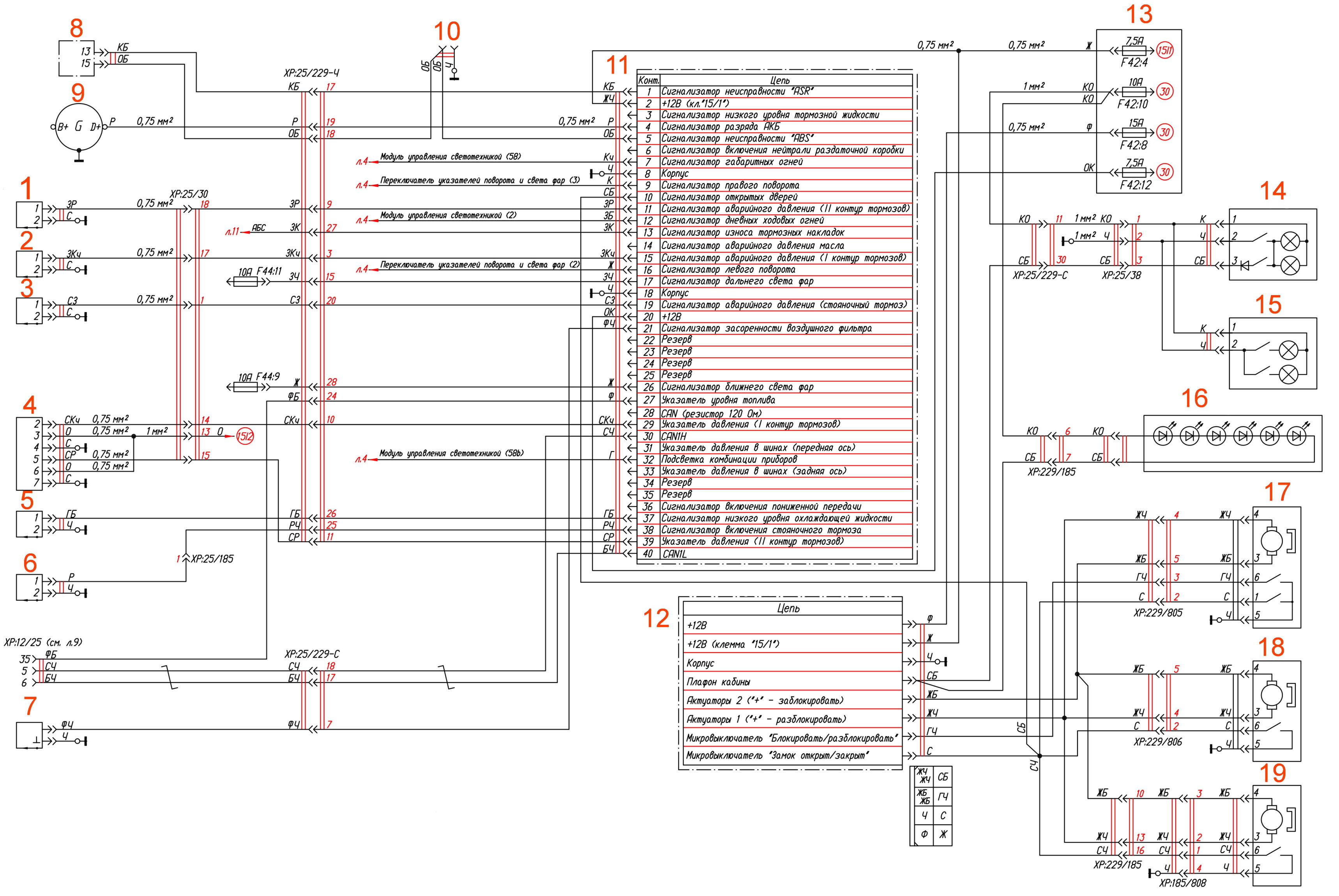
СХЕМА ЦЕНТРАЛЬНЫЙ ЗАМОК, КОМБИНАЦИЯ ПРИБОРОВ И ПЛАФОН

1 – датчик аварийного давления (2 контур тормозов); 2 – датчик аварийного давления (1 контур тормозов); 3 – датчик аварийного давления (стояночный тормоз); 4 – модуль подготовки воздуха тормозной системы; 5 – датчик уровня охлаждающей жидкости; 6 – выключатель стояночного тормоза; 7 – датчик засорения воздушного фильтра; 8 – блок управления АБС; 9 – генератор; 10 – колодка (для кнопки запроса диагностики АБС); 11 – комбинация приборов; 12 – блок управления замками дверей; 13 – блок предохранителей; 14 – плафон кабины; 15 – плафон второго ряда сидений*; 16 – фонарь освещения подножки*; 17 – актуатор двери водителя; 18 – актуатор двери пассажира; 19 – актуатор двери второго ряда сидений; ХР:12/25 – колодка соединения жгута 12 (по двигателю) со жгутом 25 (по кабине); ХР:25/229-С – колодка соединения жгута 25 (по кабине) со жгутом 229 (по панели) серого цвета; ХР:25/229-Ч – колодка соединения жгута 25 (по кабине) со жгутом 229 (по панели) чёрного цвета; ХР:25/30 – колодка соединения жгута 25 (по кабине) со жгутом 30 (по раме); ХР:25/185 – колодка соединения жгута 25 (по кабине) со жгутом 185 (по полу); ХР:25/38 – колодка соединения жгута 25 (по кабине) со жгутом 38 (по крыше); ХР:229/805 – колодка соединения жгута 229 (по панели) со жгутом 805 (в левой двери); ХР:229/806 – колодка соединения жгута 229 (по панели) со жгутом 806 (в правой двери); ХР:229/185 – колодка соединения жгута 229 (по панели) со жгутом 185 (по полу); ХР:185/808 – колодка соединения жгута 185 (по панели) со жгутом 808 (в задней двери).
Колодка показана со стороны установки контактов.
СХЕМА ЗВУКОВЫХ СИГНАЛОВ, МАГНИТОЛЫ, ПРИКУРИВАТЕЛЯ

1 – звуковой сигнал правый; 2 – звуковой сигнал левый; 3 – реле звукового сигнала; 4 – розетка второго ряда сидений; 5 – прикуриватель; 6 – розетка; 7 – выключатель звукового сигнала; 8 – магнитола; 9 – многофункциональное токопередающее устройство; 10 – кнопка переключения каналов магнитолы; 11 – громкоговоритель правый; 12 – громкоговоритель левый; 13– кнопка регулирования громкости магнитолы; ХР:229/185 – колодка соединения жгута 229 (по панели) со жгутом 185 (по полу); ХР:25/229-С – колодка соединения жгута 25 (по кабине) со жгутом 229 (по панели) серого цвета; ХР:229/805-1 – колодки соединения жгута 229 (по панели) со жгутом 805 (по левой двери); ХР:229/806-1 – колодки соединения жгута 229 (по панели) со жгутом 806 (по правой двери).
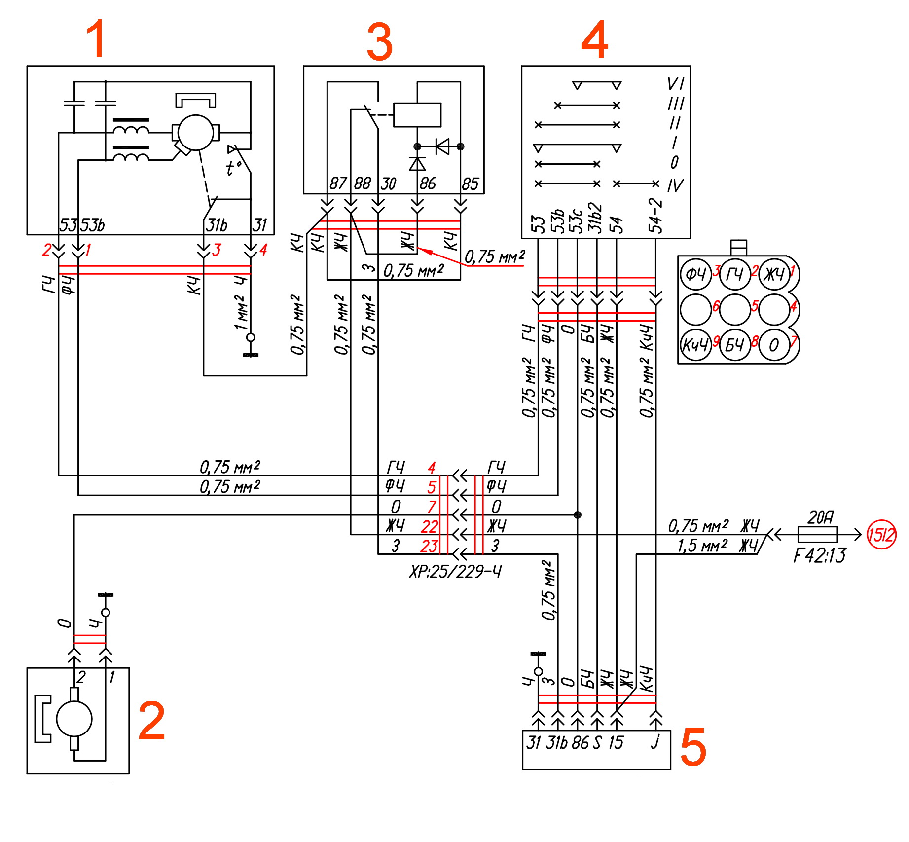
СХЕМА СТЕКЛООЧИСТИТЕЛЯ И ОМЫВАТЕЛЯ

1 – моторедуктор стеклоочистителя; 2 – электронасос стеклоомывателя; 3 – реле укладки щёток стеклоочистителя; 4 – переключатель стеклоочистителя; 5 – реле стеклоочистителя; ХР 25/229-Ч – колодка соединения жгута 25 (по кабине) со жгутом 229 (по панели) чёрного цвета.
СХЕМА ПОДОГРЕВА СИДЕНИЙ

1 – обогреваемое сиденье водителя; 2 – выключатель; 3 – обогреватель подушки; 4 – терморегулятор; 5 – обогреватель спинки; ХР:25/185 – колодка соединения жгута 25 (по кабине) со жгутом 185 (по полу); ХР:25/229-С – колодка соединения жгута 25 (по кабине) со жгутом 229 (по панели) серого цвета.
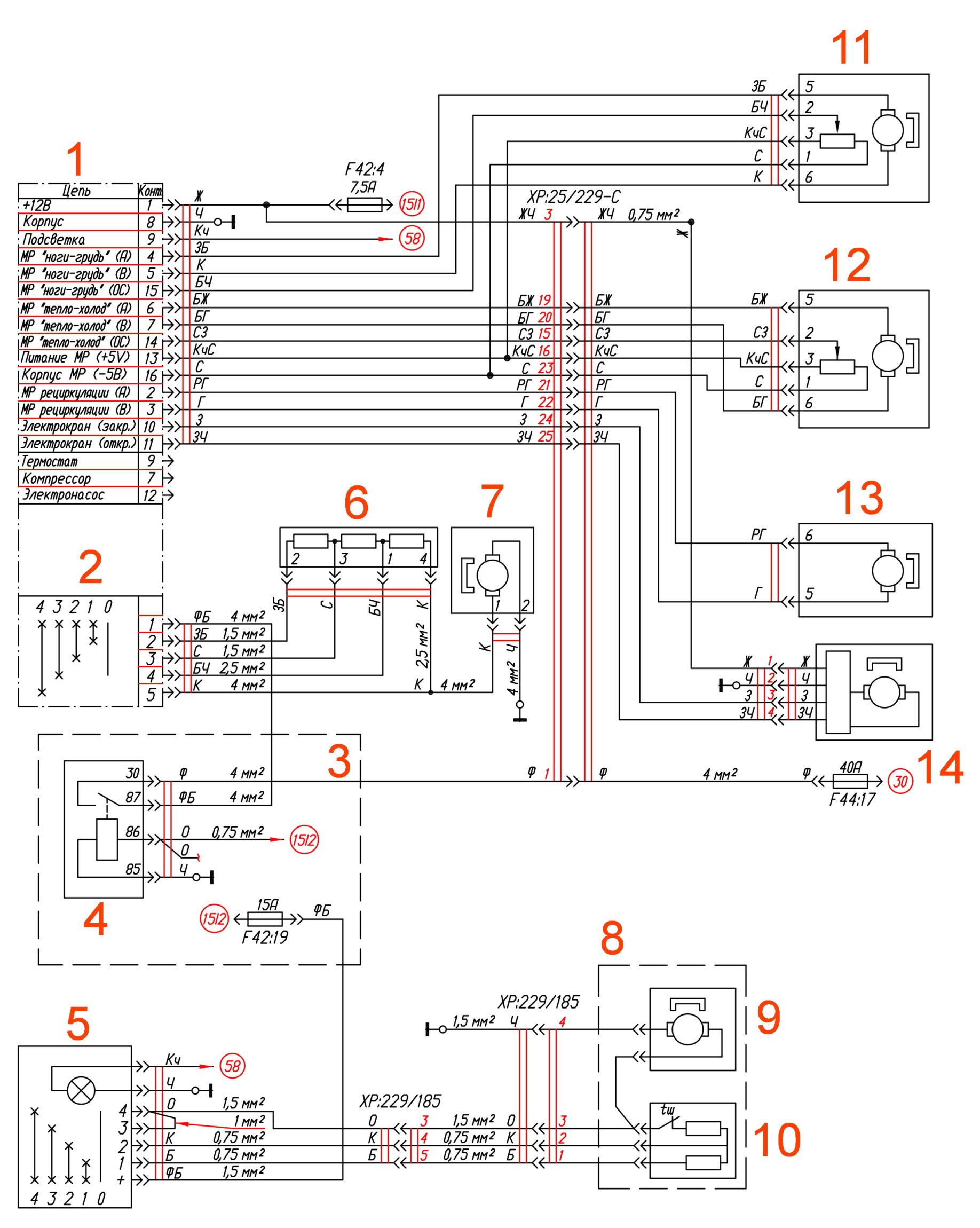
СИСТЕМА ОТОПЛЕНИЯ

1 – пульт отопителя; 2 – переключатель отопителя; 3 – блок реле и предохранителей в салоне; 4 – реле отопителя; 5 – переключатель дополнительного отопителя; 6 – резистор; 7 – вентилятор; 8 – дополнительный отопитель; 9 – вентилятор; 10 – резистор; 11 – моторедуктор заслонки «ноги-грудь»; 12– моторедуктор заслонки «тепло-холод»; 13 – моторедуктор заслонки рециркуляции; 14 – электрокран; ХР:25/30 – колодка соединения жгута 25 (по кабине) со жгутом 30 (по раме); ХР:229/185 – колодка соединения жгута 229 (по панели) со жгутом 185 (по полу); ХР:25/229-С – колодка соединения жгута 25 (по кабине) со жгутом 229 (по панели) серого цвета; ХР:25/229-Ч – колодка соединения жгута 25 (по кабине) со жгутом 229 (по панели) чёрного цвета.
СХЕМА ПОДКЛЮЧЕНИЯ ТАХОГРАФА

1 – датчик скорости; 2 – тахограф; ХР:25/30 – колодка соединения жгута 25 (по кабине) со жгутом 30 (по раме); ХР:25/38 – колодка соединения жгута 25 (по кабине) со жгутом 38 (по крыше); ХР:25/229-С – колодка соединения жгута 25 (по кабине) со жгутом 229 (по панели) серого цвета.
СИСТЕМА АБС

1 – блок управления АБС; 2 – клапан ASR; 3 – модулятор АБС передний; 4 – Y57; 5 – модулятор АБС задний правый; 6 – колодка (для кнопки запроса диагностики АБС); 7 – датчик скорости вращения переднего левого колеса; 8 – датчик скорости вращения переднего правого колеса; 9 – датчик давления «EBL»; 10 – датчик скорости вращения заднего левого колеса; 11 – датчик скорости вращения заднего правого колеса; 12 – комбинация приборов; 13 – колодка диагностики; 14 – выключатель ASR; 15 – датчик износа колодки заднего левого колеса; 16 – датчик износа колодки заднего правого колеса; 17– датчик износа колодки переднего правого колеса; 18 – датчик износа колодки переднего левого колеса; ХР:12/25 – колодка соединения жгута 12 (по двигателю) со жгутом 25 (по кабине); ХР:12/30 – колодка соединения жгута 12 (по двигателю) со жгутом 30 (по раме); ХР:25/229-С – колодка соединения жгута 25 (по кабине) со жгутом 229 (по панели) серого цвета; ХР:25/229-Ч – колодка соединения жгута 25 (по кабине) со жгутом 229 (по панели) чёрного цвета; ХР:25/229-9 – колодка соединения жгута 25 (по кабине) со жгутом 229 (по панели) 9-ти контактная.