Отопители семейства Планар достаточно надежны и просты, однако основным уязвимым местом этих приборов является электронный блок управления. Он достаточно дорогой, и хуже всего, что иногда он выходит из строя вместе с нагнетателем воздуха. И тогда встает вопрос, а не проще ли купить новый «фен» в сборе?

В интернете имеется достаточно много заводских инструкций по установке и диагностике неисправностей данного устройства. Но в этой статье я решил написать простое руководство, с помощью которого можно определить неисправность быстро, не имея особых навыков ремонта электрооборудования. Кроме того, теоретические данные приведенные инструкции завода-производителя иногда могут ввести в заблуждение, и далее в статье, будет рассмотрен такой случай.
Рассмотрим все ошибки, характерные для отоптелей «Планар»:ПЛАНАР — 4Д -12 , ПЛАНАР — 4Д — 24 , ПЛАНАР — 4Д -12-01, ПЛАНАР — 4Д – 24 -01, ПЛАНАР — 4Д – 24 –01КР, ПЛАНАР — 4Д – 24 –02.
Ошибка 1. Перегрев теплообменника
Инструкция завода: Проверить входной и выходной патрубок нагревателя на предмет свободного входа и выхода нагреваемого воздуха. Проверить датчик перегрева на теплообменнике, при необходимости заменить

Мои рекомендации: Как правило, «виноват датчик перегрева, который располагается в центре торцевой части отопителя. Проверить его работоспособность просто. Его контакты в нормальном положении замкнуты, поэтому проверяются мультиметром на целостность цепи («пищалкой»). Или же можно просто перемкнуть провода идущие к датчику как показано на фото и попробовать произвести запуск. Фен запустился? Не перегрейте его, он сам не отключится… Выключаете прибор и меняете датчик.

Ошибка 2. Попытки запуска исчерпаны
Инструкция завода: Если допустимое количество попыток запуска использовано – проверить количество и подачу топлива. Проверить систему подвода воздуха для сгорания и газоотводящий трубопровод.
Мои рекомендации: На счет топлива — полностью согласен. Иногда кажется, что топливо поступает небольшими порциями, но его оказывается недостаточно для розжига. Попробуйте повторить процедуру запуска несколько раз. Блок управления запрограммирован так, что он выполняет две попытки запуска и если он не получает информацию от индикатора пламени, то система отключается, а индикатор показывает два мигания. В этом случае при поиске неисправности отталкивайтесь от правила: «либо нечему гореть, либо нечему поджечь…» поджигает, как известно, свеча накала и ниже будет рассмотрен этот случай.
Ошибка 3. Прерывание пламени
Инструкция завода: Проверить количество и подачу топлива. Проверить систему подвода воздуха для сгорания и газоотводящий трубопровод. Если отопитель запускается, то проверить индикатор пламени и при необходимости заменить.
Мои рекомендации: Опять же сработал индикатор пламени. именно он отвечает за информирование блока управления о наличии горения в камере. И тут вероятны три варианта: или он неисправен, поэтому дает ложный сигнал, либо контроллер вышел из строя и попросту «глючит».
примечание: Ситуация, когда блок управления «ругается» на датчики и исполнительные механизмы далеко не редкость. А на деле выясняется, что виноват сам контроллер. Поэтому при наличии любой неисправности или сбоев в работе, необходимо всегда понимать, что неисправный блок управления может выдавать неверные сигналы об ошибках.
И третий вариант — проблемы с подачей топлива или воздуха.
Ошибка 4. Неисправность свечи накаливания
Инструкция завода: Проверить свечу накаливания, при необходимости заменить.
Мои рекомендации: Свеча накаливания проверяется легко. можно это сделать мультиметром как показано на фото:

А можно просто выкрутить её, подать напряжение 12 вольт и проверить, греется ли она. Не припомню случаев, чтобы свеча плохо прогревалась, она либо работает, либо нет. Выполняя эту проверку будьте аккуратны — не обожгитесь.
Ошибка 5. Неисправность индикатора пламени
Инструкция завода: Проверить цепь индикатора пламени на обрыв при этом сопротивление между выводами должно быть не более 1 Ом. Если индикатор неисправен, то его необходимо заменить
Мои рекомендации: А вот это как раз тот случай, когда не следует «слепо» верить инструкциям. Обратите внимане на фото. Проверяется исправный датчик, но при этом его сопротивление 1,3 Ом. Другие датчики имеют примерно те же показатели! Проверял несколькими приборами — показания те же.

Итак, индикатор пламени исправен, но высвечивается 5 миганий индикатора на пульте? Придется менять блок управления, скорее всего проблема в нем.
Ошибка 6. Датчик температуры
Инструкция завода: Заменить блок управления

Мои рекомендации: Полностью согласен с инструкцией. Датчик интегрирован в печатную плату блока управления, которая залита специальным белым составом, якобы для защиты, но скорее всего, для невозможности её отремонтировать. Должен ведь завод-производитель иметь доходы от продаж комплектующих своей продукции..?
Ошибка 7. Неисправность топливного насоса
Инструкция завода: Проверить электропровода топливного насоса на короткое замыкание, при необходимости заменить.
Мои рекомендации: Проверить насосик легко, кратковременно подавая на него напряжение 12 вольт (полярность значения не имеет). При этом должны слышаться характерные щелчки. Для полной уверенности, можно опустить шланг подающего штуцера в сосуд с топливом. и выходного отверстия при щелчках должна выбрасываться жидкость. Если к насосику претензий нет, то проверяем целостность проводов. Если и тут все в порядке, то не забываем вернуться к примечанию в начале статьи.

Ошибка 8. Нет связи между пультом управления и блоком управления
Инструкция завода: Проверить соединительные провода, разъемы.
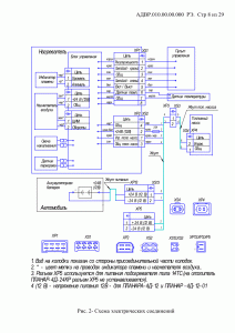
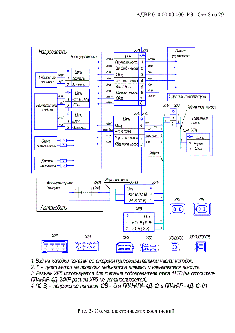
Мои рекомендации: Обратите внимание, на плате блока управления имеются соединительные колодки для подключения датчиков и вентилятора нагнетателя. на этих колодках черной точкой отмечено место подключения черного провода. Не перепутайте полярность. Что касается проверки проводов между пультом и блоком управления, то нужно проверить на целостность провода согласно схемы:

Ошибка 9. Отключение, повышенное напряжение. Отключение, пониженное напряжение
Инструкция завода: Проверить батарею, регулятор напряжения и подводящую электропроводку. Напряжение между 1 и 2 контактами разъема ХР13 должно быть не выше 30 В (15 В).
Проверить батарею, регулятор напряжения и подводящую электропроводку. Напряжение между 1 и 2 контактами разъема ХР13 должно быть не ниже 20 В (10,8 В).
Мои рекомендации: Эта ошибка часто появляется из-за того, то питание на прибор подается откуда «поближе», а не откуда следует. В идеале, конечно же, лучше подключить обогреватель к аккумуляторам. Но если такой возможности нет, то постарайтесь хотя бы обеспечить хороший контакт с корпусом («массой») автомобиля. А что касается минимумов и масимумов напряжения указанных в инструкции, то практика показывает такую картину Если напряжение в момент запуска находится за пределами этих величин, то «ПЛАНАР» не запустится, а индикатор выдаст ошибку 9. Но если прибор в работе, то кратковременные и небольшие перепады напряжения не приводят к отключению обогревателя.
Однако следует упомянуть один из случаев. На транспортном средстве неправильно подключили генератор (напрямую, без участия реле-регулятора) Это привело к высокому напряжению в сети, и как следствие, выбило всю электронику установленных отопителей: блок управления «Планар» 4ДМ-2-24, вентилятор нагнетателя, а также блок управления ПЖД 14 ТС-10. Вот так дорого иногда обходятся ошибки… Предохранители не спасли, они для защиты от замыканий.
Ошибка 10. Превышено время на вентиляцию
Инструкция завода: За время продувки недостаточно охлаждён нагреватель. Проверить систему подачи воздуха для сгорания и газоотводящий трубопровод. Проверить индикатор пламени и при необходимости заменить.
Мои рекомендации: Честно говоря, не совсем понятно при чем здесь индикатор пламени, если за состоянием температуры прибора следит датчик перегрева…(его и следует проверить, как описывается выше) А вот на счет свободной вентиляции — согласен с инструкцией полностью.
Ошибка 11. Неисправность мотора нагнетателя воздуха
Проверить электропроводку мотора нагнетателя воздуха, при необходимости заменить нагнетатель воздуха
Мои рекомендации: Проводку проверить, конечно можно, но она как правило всегда остается целой. Чего не скажешь об электронике, которая участвует в управлении электродвигателем. На фото видно, что внутри нагнетателя воздуха имеется еще один электронный блок управления. Вот почему нагнетатель такой дорогой. На этой печатной плате сгорел один из транзисторов, как раз после скачка напряжения в случае с неправильно подключенным генератором.
Такие блоки в настоящее время редко ремонтируются. Во-первых, потому что не так много инженеров электронщиков, и вряд ли кто станет этим заниматься. Во-вторых себестоимость ремонта нецелесообразна. Так что если «полетела» электроника, то лучше сразу в магазин. А в других вопросах вполне можно разобраться самостоятельно или проконсультироваться у автора этой статьи, связавшись по телефонам, указанным на странице «услуги и контакты». Удачи!
